
BNC接頭網售后服務及保障
0 評論
/
第一、BNC接頭網所有產品均可享受一年內質保權利,一般情況,產品插拔力均大于500次。
第二、BNC接頭網所有BNC產品均由德索電子提供,通過ISO認證,質量符合國內及國際產品要求。
第三、BNC接頭網僅展示了部分商品,更全更新的產品還未來得及上傳,可以聯系我們的客戶,領取產品附件以及對應報價單。
bnc接頭網,作為國內首家專業bnc采購平臺,提供各種BNC產品個性化需求定制服務,只要您的需求不違背產品設計原理,德索BNC接頭網均可滿足。我們在BNC的研發、生產、銷售方面,已經有十三年的生產經驗,多年的積累,讓我們可以輕松解決BNC設計、生產方面的各種難題。
線材也好,轉接頭也罷,接頭接口也行,您想要的BNC產品這里全都有。購買bnc系列產品,撥打電話:0769-81153906。購買平臺:http://www.beijingqilin.com/。

bnc接頭網產品來源公告
/
bnc接頭網所有產品均來自德索電子,本網展示的bnc接頭、bnc線纜、bnc轉接頭產品并非全部,如果您沒有找到心儀的產品,可以直接撥打我們的電話:0769-81153906,我們會免費為您提供產品詳情報價單以及樣品傳輸。
德索電子是專業的BNC接頭生產廠家,2005年成立,有著十三年的BNC生產研發經驗,產品過ISO認證,包含了BNC連接器、BNC轉接頭和BNC組裝線材等,廣泛應用于高清視頻、安防監控、天線、無線設備等各個領域。
概念介紹:
BNC接頭,主要用于同軸電纜,全稱Bayonet…

德索BNC接頭網宗旨及圖片版權聲明
/
BNC接頭網(http://www.beijingqilin.com/),以BNC產品為主題,旨在做一個專業的bnc接頭采購供應平臺,滿足廣大客戶的bnc產品采購需求。
本網圖片均來自團隊人員精心實物拍攝,版權歸東莞市德索五金電子有限公司所有,盜圖請慎重,未經允許,不得使用。
BNC接頭網所有產品通過ISO認證,質量合格靠譜,一年內可進行質保,廣大客戶可放心購買。BNC接頭網采購VIP熱線:0769-81153906。
德索bnc接頭產品展示:http://www.beijingqilin.com/gongtoumutou/

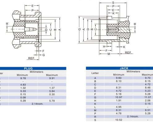
德索BNC連接器技術性能&規格參數
/
在下文中,主要會展示德索五金電子bnc連接器的圖紙信息、電器性能、機械性能、環境性能四個方面的內容,旨在幫助客戶更好了解我們的產品。購買具體的產品,可以進入產品頻道查看每一款產品的詳細參數。
BNC連接器產品界面
第一、電氣性能
阻抗:…

來來來,BNC接頭報價是一門學問
/
BNC接頭報價是一門學問,老業務員在遇到這種問題的時候,總是能夠應對自如,但是一些業務員新手,對于BNC接頭報價就不能掌握好火候,那么BNC接頭報價怎么報比較好呢?對于這樣的問題,不管是客戶也好,還是業務員也好,相信大家都很關心,下面小編就為您介紹一些關于bnc接頭報價方面的知識。
bnc接頭報價不能亂報,一定根據產品的原材料價格、客戶的需求、以及自身的利潤空間等來綜合評判。
德索五金電子bnc接頭產品均通過ISO產品認證,并且提供定制服務,價格方面比較合理,客戶朋友不用擔心。德索五金電子,秉承著長期合作的理念,服務于用戶,滿足客戶采購需求的同時,自己賺一點微薄的差價就OK了。
閱讀完上述內容之后,您對于BNC接頭報價還存在疑惑,可以向bnc接頭網發送郵件咨詢您想要咨詢的問題,我們的工程師時間會及時給您專業的答復。如果您有BNC接頭、BNC線材、BNC轉接頭等相關產品的采購需求,可以撥打我們的電話0769-81153906。
本文來源:http://www.beijingqilin.com/news/271/

不知道就落伍了,BNC接口與AV接口之間的區別!
/
不知道就落伍了,BNC接口與AV接口之間的區別!作為一名電子元器件從業人員,您一定聽說過BNC接口與AV接口兩種連接器件,但若是小編問您BNC接口與AV接口之間的區別您能答上來嗎?下面德索五金電子技術人員就BNC與AV接口之間的區別為您詳細介紹一下。
第一、先來了解什么是AV接口,會涉及到概念的介紹,以及AV接口的優點、應用范圍等等。
AV接口:
AV接口又稱(RCA),是指目前一些車載GPS設備,通過自身攜帶的音、視頻端子,連接AV線路將自身的數據圖像聲音等,輸出到其它顯示及視聽設備上,如外接顯示器或耳機等,接口主要有AV復合端子,S-VIDEO端子,耳機接口等。它可以算是TV的改進型接口,外觀方面有了很大不同。分為3條線,分別為:音頻接口(紅色與白色線,組成左右聲道)和視頻接口(黃色)。
由于AV輸出仍然是將亮度與色度混合的視頻信號,所以依舊需要顯示設備進行亮度和色彩分離,并且解碼才能成像。這樣的做法必然對畫質會造成損失,所以AV接口的畫質依然不能讓人滿意。在連接方面非常的簡單,只需將3種顏色的AV線與電視端的3種顏色的接口對應連接即可。
總體來說,AV接口把視頻和音頻進行了分離傳輸,從而避免了音頻和視頻的互相干擾。但是由于在視頻傳輸上還需要把亮度和色度進行解碼顯示,所以視頻傳輸還是存在損失的,所以目前的高清視頻播放基本都放棄了AV接口。
第二、了解完AV接口完,我們就來講解下BNC接口的概念、原理以及其應用范圍、優勢等等。
BNC接口:
BNC(基本網絡卡)接口是10Base2的接頭,即同軸細纜接頭。可以隔絕視頻輸入信號,使信號相互間干擾減少,且信號帶寬要比普通15針的D型接口大,可達到更佳的信號響應效果。這種接口的網卡對應用于用細同軸電纜為傳輸介質的以太網或令牌網中,目前這種接口類型的網卡較少見,主要因為用細同軸電纜作為傳輸介質的網絡就比較少。
現在多用于安防行業監視器傳輸視頻信號和有線電視室內墻壁接口。只有17英寸以上顯示器中的部分新產品才具備這種接口。它的視頻信號輸入線分別由R、G、B以及水平掃描、垂直掃描五條線構成,這種接頭能夠把視頻中三基色的輸入訊號分開,使它們相互獨立,這樣可最大限度避免造成干擾,從而使視頻輸入特性得到改善。也因為如此,BNC方式一直是專業級顯示器的特色之一。
閱讀完上述內容之后,您對于BNC接口與AV接口之間的區別要是還存在疑惑,可以向bnc接頭網發送郵件咨詢您想要咨詢的問題,我們的工程師時間會及時給您專業的答復。如果您有BNC接頭、BNC線材、BNC轉接頭等相關產品的采購需求,可以撥打我們的電話0769-81153906。
本文來源:http://www.beijingqilin.com/news/255/
http://www.beijingqilin.com/wp-content/uploads/2017/11/1512442873-7976-2d37560c59fa0fe.jpg--420-420.jpg
420
420
dosin
http://www.beijingqilin.com/wp-content/uploads/2017/12/bncjietou-logo.png
dosin2017-11-29 16:32:142017-12-12 20:06:29全新射頻產品線BNC射頻連接器與組件改善查看體驗
最全的示波器探頭BNC接頭接口整理匯總
/
很多用戶朋友一定為這樣的問題困擾過:實驗室里的示波器和探頭有那么多,不同廠家之間的探頭和示波器能否混合使用呢?混合使用以后會不會對測量產生一些不利影響。有部分探頭的形狀較為特殊,這種特殊設計的探頭是出于什么原因的考量,技術考慮還是商業模式考慮,能否兼容其他型號的示波器?下面德索五金電子技術人員就為您一一揭曉。
1、BNC接頭
BNC接頭是一種用于同軸電纜的連接器,即卡口配合型連接器,現在廣泛用于信號間的連接與傳輸,包括模擬或數字信號的傳輸、業余無線電設備天線的連接、航空電子設備和其他的一些電子測試設備的連接。
圖1…
